YTN-S300B微机控制电液伺服液压式万能试验机
产品概述:
YTN-S300B型微机控制电液伺服液压式万能试验机主机采用油缸下置式主机结构,主要用于金属材料、非金属材料、产品零件、部件、结构件,标准件的拉伸、压缩、弯曲等力学性能试验。
本系列试验机若增配环境装置还可做该环境下的材料拉伸、压缩及弯曲试验。例如:高温拉伸、低温拉伸、压缩等试验。
适用于钢铁、冶金、建筑建材、质检中心、水利水电、公路桥梁、科研院所,大专院校力学等厂矿企业和检测科研机构。
产品的制造和检验标准
1. GB2611《试验机通用技术要求》
2. JJG139《拉力、压力和万能试验机》
适用的试验方法标准
试验操作和数据处理满足GB/T228《金属材料室温拉伸试验方法》,GB/T7314《金属材料室温压缩试验方法》,GB/T232《金属材料弯曲试验方法》等上百个标准要求。并可根据客户需求配置满足不同标准的数据处理方法。
YTN-S300B微机控制电液伺服液压式万能试验机主要技术指标
1 主机
主机采用油缸下置式主机,拉伸空间位于主机的上方,压缩、弯曲试验空间位于主机下横梁和工作台之间。
2 传动系统
中横梁升降采用电机经链轮带动丝杠旋转,调整中横梁的空间位置,实现拉伸、压缩空间的调整。
3 液压系统
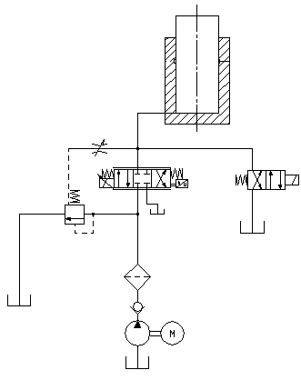
液压原理如图二所示,为负载适应型进油节流调速系统。
|
图二 液压原理图
油箱内的液压油通过电机带动油泵进入油路,流经单向阀、高压滤油器、压差阀组、伺服阀,进入油缸。计算机发出控制信号到比例伺服阀,控制比例伺服阀的开口和方向,从而控制进入油缸的流量,实现等速试验力、等速位移等的控制。
4.电气测控系统:
(1)、伺服控制油源核心部件均采用进口原器件,性能稳定。
(2)、具有过载、过流、过压、位移上下限位和紧急停止等保护功能。
(3)、基于PCI技术的内置式控制器,保证了该试验机可以实现试验力、试样变形和横梁位移等参量的闭环控制,可实现等速试验力、等速位移、等速应变、等速载荷循环、等速变形循环等试验。各种控制模式之间可以平滑切换。
(4)、试验结束时,可手动或自动高速返回试验初始位置。
(5)、实现了真正意义上的物理调零、增益调整及试验力测量的自动换档、调零、标定和存盘,无任何模拟调节环节,控制电路高度集成化。
(6)、电气控制线路参照国际标准,符合国家试验机电气标准,抗干扰能力强,保证了控制器的稳定性,实验数据准确性。
(7)、具有网络传输接口,可进行数据的传输、存储、打印记录和网络传输打印,可与企业内部局域网或Internet网连接。
5. 软件主要功能特点描述
该测控软件用于微机控制电液伺服液压式万能试验机,进行各种金属及非金属的试验,按照相应标准完成实时测量与显示、实时控制及数据处理、结果输出等各种功能。
(1)、分权限管理,不同级别的操作者有不同的操作权限,可操作的菜单等内容也不同,既使普通操作者操作简单、方便、快捷,又有效的保护了系统;
(2)、实时测量与显示试验力及峰值、位移、变形等各信号;实现了平台下的实时采集与控制;并实现了精确定时,高速采样;
(3)、实现了负荷-变形,负荷-位移等多种试验曲线的实时屏幕显示,可随时切换观察,曲线的放大与缩小非常方便;
(4)、具备试验参数的计算机存储、设定、加载等功能,调零、标定等操作都从软件上进行,各参数可方便的进行存储和调入,从而使一台主机带多个传感器时可以方便的切换,而且没有数目限制;
(5)、支持多种控制方式,包括开环等速位移及等速力、等速应力等多种闭环控制方式;并在高级操作者调试闭环参数过程中给出标准参考曲线,从而使用户实际观察到各参数对闭环效果产生的影响。
(6)、具有试验过程控制模式智能设置专家系统,提供给专业用户自动程控编程器。用户可以根据实际需要,按照规则灵活组合多种控制方式及控制速度,编制适合自己需要的控制程序。测控软件会自动按照用户设置自动控制试验过程。
(7)、采用人机交互方式分析数据。处理方法满足应用广泛的标准要求,可自动计算弹性模量、屈服强度、规定非比例延伸强度等各种性能参数,也可人工干预分析过程,提高分析的准确度;也可以根据用户提供的标准进行其他的数据处理。
(8)、试验数据以文本文件存贮,以方便用户查询,以及利用任何通用商业报表、字处理软件对试验数据进行再处理,同时方便联网传递数据;
(9)、可记录、保存试验过程的数据曲线,可以进行曲线叠加对比,便于对比分析;
(10)、可按用户要求格式打印试验报告。用户可以自己选择报告输出基本信息和试验结果及试验曲线的内容,满足各种需要;
(11)、实现了试验力和变形的数字调零、自动标定,方便了操作,提高了机器的可靠性。各种参数系统设置以文件形式存贮,便于保存和恢复;
(12)、可应用于Win98、Win2000、WinXP等多种操作系统。试验过程控制、横梁移动速度的改变、参数输入等操作可全部用键盘、鼠标完成,使用方便快捷;
(13)、具备过载保护自动停机功能,并可以自动判断试样断裂,自动停机。
根据用户要求不同,上述软件功能会有增减或调整改变。
6.软件及软件操作界面:
(1)软件可以在Windows98/2000/XP,用户界面呈现与Windows风格一致的中文窗口系统。所有的试验操作均可以在计算机屏幕上以鼠标输入的方式完成。
试验机主界面
位移控制的界面;
力控制的界面;
自动控制的界面;
自主编程的程控界面;
试验标准模块界面,不断添加中
数据查询
7、安全保护装置
(1)当试验力超过最大试验力的2%-5%时,过载保护,系统卸荷。
(2)当活塞升起达到上极限位置时,行程保护,油泵电机停机。
YTN-S300B微机控制电液伺服液压式万能试验机主要性能技术指标
|
序号 |
项 目 名 称 |
参 数(2立柱2丝杠) |
|
1 |
最大试验力kN |
300 |
|
2 |
试验力示值相对误差 |
≤示值的±1% |
|
3 |
试验力测量范围 |
最大试验力的2%~100% |
|
4 |
等速应力控制范围(N/mm2·S-1) |
2~60 |
|
5 |
等速应变控制范围 |
0.00025/s~0.0025/s |
|
6 |
等速位移控制范围(mm/min) |
0.5~50 |
|
7 |
夹紧方式 |
液压夹紧 |
|
8 |
圆试样夹持直径范围mm |
Φ4~Φ32 |
|
9 |
扁试样夹持厚度范围mm |
0~15 |
|
10 |
扁试样夹持宽度mm |
70 |
|
11 |
最大拉伸试验空间mm |
550 |
|
12 |
最大压缩试验空间mm |
500 |
|
13 |
控制柜外形尺寸mm |
1100×620×850 |
|
14 |
主机外形尺寸mm |
730×590×1900 |
|
15 |
电机功率kW |
2.3 |
|
16 |
主机质量kg |
1500 |
|
17 |
立柱净间距(mm) |
450 |
|
18 |
上下压盘尺寸mm |
Φ150 |
|
19 |
弯曲支棍间距mm |
400 |
|
20 |
弯曲支棍宽度mm |
140 |
|
21 |
容许弯曲度mm |
100 |
|
22 |
最大活塞行程mm |
200 |
|
23 |
活塞最大移动速度mm/min |
约80 |
|
24 |
试验空间调整速度mm/min |
约150 |
YTN-S300B微机控制电液伺服液压式万能试验机标准配置:
|
序号 |
名 称 |
规 格 |
数量 |
备 注 |
|
1 |
主 机 |
|
1台 |
自制 |
|
2 |
伺服控制油源 |
|
|
自组 |
|
4 |
控制柜 |
|
1台 |
自制 |
|
5 |
测控系统 |
|
1套 |
自制 |
|
6 |
油压传感器 |
|
1只 |
宁波 |
|
7 |
拉伸编码器 |
|
1只 |
济南 |
|
8 |
计算机 |
|
1台 |
惠普 |
|
9 |
打印机 |
|
1台 |
HP |
|
10 |
圆试样钳口mm
|
Φ4~Φ10,Φ10~Φ20 |
1副 |
|
|
板试样钳口mm |
0-15 |
|||
|
11 |
弯曲试验附具 |
增配 |
1套 |
|
|
12 |
油泵 |
|
|
|
|
13 |
电机 |
|
|
|
|
14 |
技术文件 |
使用说明书,装箱单,合格证 |
|
|

